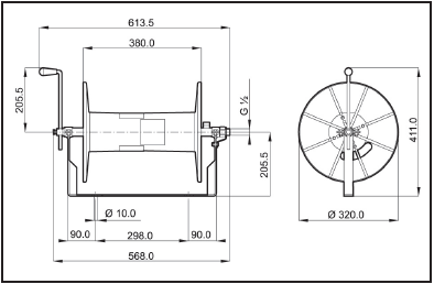
TÖMLŐTARTÓ DOB MŰANYAG

TERMÉKKÓD: 959000

75 590 Ft