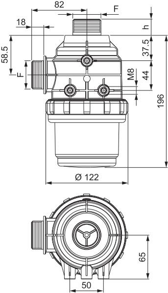
1 1/2"-50M SZÍVÓSZŰRŐ SIMA

TERMÉKKÓD: 3142063

21 209 Ft